Sản phẩm đã thêm vào giỏ hàng
Số lượng:
MÔ TẢ:
Cửa tự động Nhật Bản Micom EDM-NII sử dụng bộ điều khiển Microprocessor tiên tiến cùng với động cơ không chổi than, EDM-NII series là cửa trượt tự động chất lượng cao giúp cửa vận hành êm ái, bền bỉ, điều chỉnh các thông số dễ ràng cùng với nhiều tính năng và lợi ích.
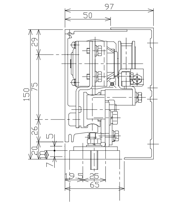
CẤU TRÚC CỦA CỬA TỰ ĐỘNG MICOM EDM-NII.

BỘ CỬA TỰ ĐỘNG BAO GỒM CÁC CHI TIẾT.
1. Công tắc ON/OFF, 2. Chuyển mạch mở một phần và mở toàn phần, 3. Pulley dây đai, 4. Khối bản mã kết nối có thể điều chỉnh độ căng, trùng của dây đai, 5. Dây đai, 6. Khối cầu đấu đầu vào, đầu ra. 7. Cụm bánh xe, 8. Bộ điều khiển, 9. Bản mã chống rung motor, 10. Ray, nắp nhôm, 11. Chặn cửa, 12. Motor.
CÁC KHỐI CHÍNH CỦA BỘ CỬA TỰ ĐỘNG NHẬT BẢN MICOM:
1. Bộ điều khiển - Sử dụng bộ điều khiển tiên tiến, có thể thiết lập, thay đổi trực tiếp các tham số của cửa một cách dễ ràng như thay đổi tốc độ đóng, mở, lực đóng, mở, chế độ mở một phần, toàn phần, reset về chế độ cài đặt mặc định của nhà sản xuất, cảnh báo và hiển thị khi phát hiện ra lỗi...Cửa tự động cũng có thể kết nối với hệ thống báo cháy và các tính năng an toàn khác nhờ bo mạch mở rộng.

2. Khối motor: Cửa tự động sử dụng động cơ motor không chổi than, giúp cửa hoạt động có hiệu suất cao hơn, cửa vận hành nhẹ nhàng, êm ái dù chạy ở tốc độ cao hay thấp, không phát sinh nhiệt khi hoạt động và có độ bền cao.
3. Khối cụm bánh xe: Bản mã của cụm bánh xe có thể điều chỉnh, giúp điều chỉnh độ cao, thấp của cửa một cách dễ ràng, bánh xe cũng được sử dụng vật liệu đặc biệt giúp cửa chạy êm và bền bỉ.
4. Khối bản mã kết nối dây đai: Khối này dùng để kết nối dây đai và cho phép điều chỉnh dây đai căng, trùng theo ý muốn một cách đơn giản bằng cách xoay vít trên bản mã.
5. Khối cầu đầu In/ Out put: Khối này sử dụng để kết nối các tín hiệu của các thiết bị ngoại vi với bộ điều khiển như SS (safety sensor), SB(safety beam), khóa điện, nguồn dự phòng...
6. Khối cảm biến: Cảm biến OA-203C


OA-203C là dòng cảm biến của hãng Optex Nhật Bản, là lựa chọn tốt nhất đáp ứng cho cả hai tiêu chí là an toàn và vận hành để sử dụng cho cửa tự động, cảm biến OA-203C có 4 dòng dò, cả 4 dòng này đều có thể dò sự di chuyển khi con người hoặc vật thể đi vào vùng dò, có 2 dòng là dòng 1 và dòng 2 có thể dò được cả sự di chuyển và sự có mặt của vật thể, ví dụ như khi ta đi vào vùng dò cho dòng 1 và dòng 2, khi đứng yên ở vùng dò này thì cửa vẫn không đóng vì cảm biến hiểu rằng có người hoặc vật thể đang ở trong vùng dò, điều này giúp cửa vận hành an toàn hơn.
Cảm biến hay mắt thần OA-203C có thể điều chỉnh thu hẹp độ rộng và độ sâu vùng dò, có thể chuyển vùng dò dịch sang trái hoặc sang phải 7 độ, điều chỉnh độ nhạy cho phù hợp, cơ chế chống nhiễu và các chế độ cho các điều kiện thời tiết khác nhau.

Cơ chế hoạt động của cảm biến khi phát hiện ra vật thể.
LẮP ĐẶT CỬA TỰ ĐỘNG NHẬT BẢN MICOM CÓ KHÓ KHÔNG?
Các bộ phận cơ được thiết kế theo cụm, các bộ phận điện được kết nối với nhau bằng các jug cắm, có thể được lắp đặt hay thay thế một cách dễ dàng, điều chỉnh các thông số đơn giản giúp giảm đáng kể thời gian lắp đặt.

Trạng thái thiết lập - Cửa tự động Nhật Bản Micom EDM-NII ghi nhớ hành trình, hoạt động của cửa trong chu kỳ đầu tiên. Không cần phải thiết lập lại sau mỗi lần bật nguồn.
Cài đặt thông số - Có nhiều lựa chọn về các tham số hoạt động và có thể điều chỉnh cho phù hợp với từng yêu cầu như tốc độ đóng, mở, thời gian đóng, mở...một cách dễ ràng.
TIÊU CHUẨN THIẾT KẾ:
Cửa được thiết kế để đáp ứng nhu cầu cao nhất của thị trường, cửa tự động Nhật Bản Micom EDM-NII được sản xuất tuân theo các tiêu chuẩn CE, EN16005 và UL.
ỨNG DỤNG CỦA SẢN PHẨM:
Cửa tự động được sử dụng nhiều cho lối vào trung tâm thương mại, sân bay, khách sạn, bệnh viện, cửa hàng, siêu thị, trường học, văn phòng và nhà máy.
.......................................................................................................................................................................................................
MICOM AUTODOOR
THE BEST CHOICE FROM JAPAN
.......................................................................................................................................................................................................

|
Model |
EDM 24NII-AS |
EDM 24NII-AD |
|
|
Áp dụng |
Cửa đơn |
Cửa đôi |
|
|
Kích thước (max) |
Kích thước |
DW1219xDH2134mm |
|
|
Trọng lượng (kg) |
150 |
150x2 |
|
|
Tốc độ mở/đóng |
100 ~ 750 mm/s 10 nấc điều chỉnh |
||
|
Giữ mở |
0 ~ 60 Sec. 16 nấc điều chỉnh |
||
|
Cấp điện/tiêu thụ |
100V AC +/- 10V 50 / 60Hz | 150 Watt (tối đa) |
||
|
Hoạt động |
Hoàn thành kiểm tra 1 triệu chu kỳ mở và đóng |
||
|
Lực mở/ đóng cửa |
Tốc độ cao 216N (22kg) Tốc độ thấp 176N (18kg) |
||
|
Động cơ điện |
40 Watt |
||
|
Loại động cơ |
Động cơ DC không chổi than |
||
|
Hộp số |
Hệ thống hộp giảm tốc kèm theo |
||
|
Hệ thống điều khiển |
Điều khiển vi xử lý |
||
|
Độ bền điện môi |
AC1000V trong một phút |
||
|
Môi trường hoạt động |
Nhiệt độ môi trường xung quanh -20oC ~ + 50oC (không ngưng tụ hoặc đóng băng) |
||
Số lượng: